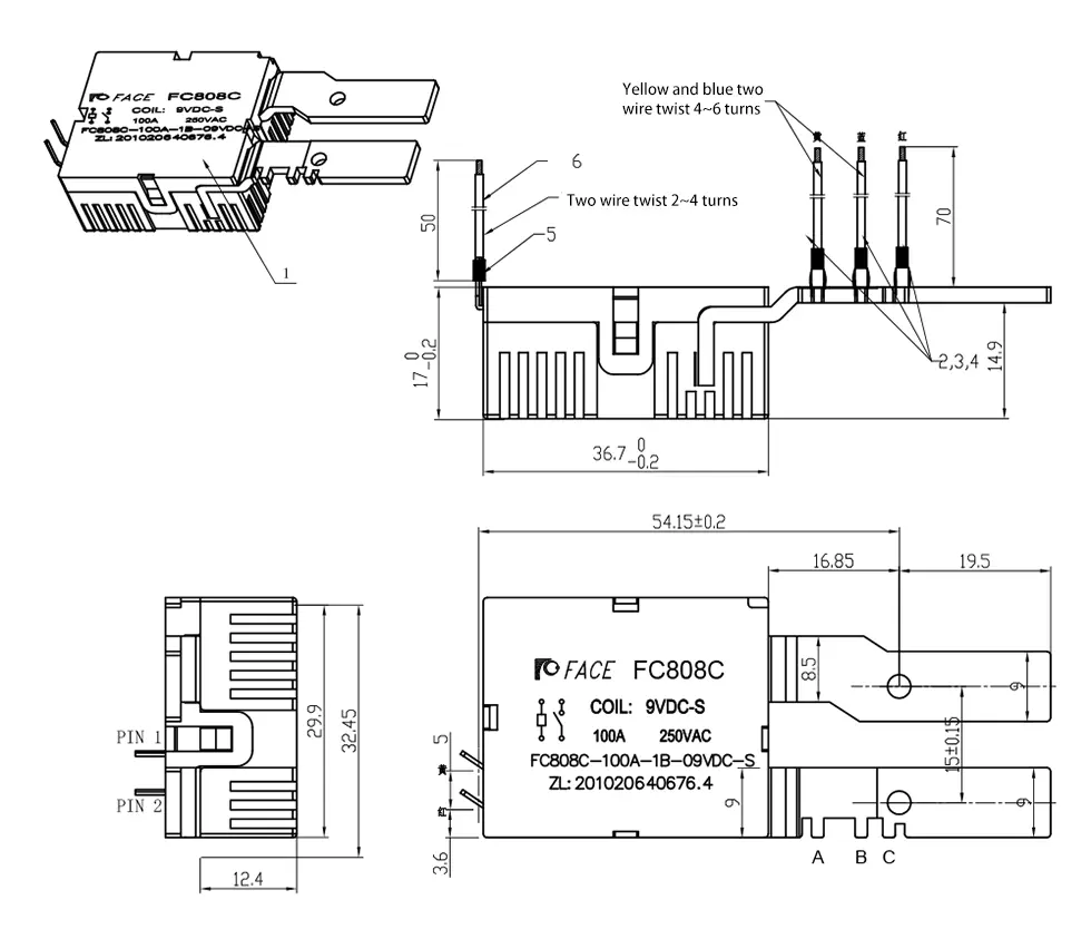
రకం:100A సింగిల్-ఫేజ్ 4P రైలు రకం లాచింగ్ రిలే
రేట్ చేయబడిన కరెంట్:100A
డ్రైవ్ వోల్టేజ్:6VDC-48VDC
నమూనా నిరోధకత:200 మైక్రో-ఓమ్లు (μΩ)
సంస్థాపన విధానం:ప్రామాణిక DIN రైలు సంస్థాపన
ఆపరేటింగ్ ఉష్ణోగ్రత పరిధి:-20°C నుండి 60°C
కొలతలు:నిర్దిష్ట కొలతల కోసం ఉత్పత్తి డ్రాయింగ్లను చూడండి




















